WEB SHOP > 純正パーツリスト・フューエル■■キャブレター HS4(1.5) ■■P72





 
品番
商品名
入数
参考価格
備考
注文
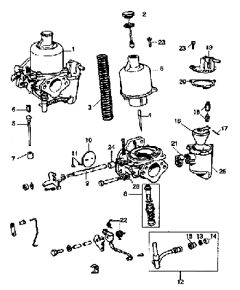
1 AUD3913 1 1/2” シングル キャブレター, 固定式 ニードル 1    
1 HS4 1 1/2” シングル キャブレター, スインギング ニードル 1 58000  
2 AUC8103 ダッシュポット ダンパー 1 3850  
3 AUC4387 ダッシュポット スプリング, レッド, 4.5oz 1 1100  
3 TRKAUC4387 ダッシュポット スプリング, レッド, 4.5oz (ステンレス) 1    
4 AUD1267 固定式 ニードル, リッチ (MI) 1 3500 998cc A/T
4 AUD1034 固定式 ニードル, スタンダード (AC) 1 3500 998cc A/T
4 AUD1076 固定式ニードル, リッチ (BQ) 1 3500 1275cc
4 AUD1528 固定式ニードル, スタンダード (DZ) 1 3500 1275cc
5 CUD1015 スウィンギング ニードル (AAR) AUD453 (キャブ番.AUD453) 1 3500 1275cc
5 CUD1001 スウィンギング ニードル (AAB) CUD1025/FZX1047/AUD567 1 3800 1275cc ヨーロッパ
5 CUD1037 スウィンギング ニードル (ABP) AUD608
1 3500 1098cc
5 CUD1040 スウィンギング ニードル (ABS) AUD611 1 3500 848cc
5 CUD1045 スウィンギング ニードル (ABX) AUD679 1 3500 998cc
5 CUD1006 スウィンギング ニードル (AAG) AUD540/AUD548 1 3500 998cc ヨーロッパ
5 NZX4005 スウィンギング ニードル (ADE) FZX1064/FZX1146 1 3500 998cc ヨーロッパ
5 NZX4006 スウィンギング ニードル (ADF) FZX1094 1 3500 998cc
5 NZX4008 スウィンギング ニードル (ADH) FZX1142/FZX1064 1 3500 850cc ワックス スタット
5 CUD1002 スウィンギング ニードル (AAC) FZX1415 1 4080 850cc ワックス スタット
6 AUD3306 スウィンギング ニードル スプリング 1 140  
7 AUD4288 スウィンギング ニードル ガイド 1 600  
8 WZX1341 固定式ニードル ジェット ベアリング キット 1 4500  
8 WZX1442 ジェット ベアリング キット, (WZX1340), スインギング ニードル 1 4350  
9 GZX1177 スロット スピンドル キット 1 2800  
10 GZX1323 →WZX1323 バタフライ ディスク (スクリュー付) 1 2500  
10 WZX1325 バタフライ ディスク, エアー バルブ タイプ, (スクリュー付)

1 6500  
11 RTC5965 バタフライ スクリュー 2 120  
12 AUD9451 ジェット (レッド プラスチック) ブラック 1 4000  
12 LZX1111A ワックス スタット ジェット (ブルー), メタル  (GSU450) 1 13080 1980以降
13 AUD2193 ワッシャー 1 120  
14 AUD2194 ラバー シール 1 200 LZX1111Aを使用のこと
15 AUD2129 ナット 1 400  
16 WZX1300 フロート 1 4320  
17 AUC1152 フロート ピン 1 120  
18 AUD9095 ニードル バルブ 1 1860  
  WZX1100A
ニードル バルブ キット

1 8160  
19 AUE266 リッド (フロート+ニードル バルブ付) 1 10000  
20 AUC8459 フロート ガスケット 1 400  
21 AUD2071 アダプター ピース ダイキャスト ソリッド 1 1500  
22 WZX1335 リターン スプリング キット 1 1500  
23 JZX1394 ダッシュポット + フロートリッド スクリュー 6 200  
24 AUD3080 スピンドル リペア ブッシュ 内径7.94φ − ボディ穴9.5φ 2 800  
25 AUC1310 フロート ボウル チャンバー 1 10000  
  WZX1852 サービス キット (1 1/2” シングルキャブ O/H キット), LZX1111A付き 1 14800 CSK52 + LZX1111A
26 AUC1318
ラバー ワッシャー
1 700  
           

 


Copyright (C) 1997-2005 MINICRAFT. All Rights Reserved.